三相200v コンセント 配線 xyz 174435-三相200v コンセント 配線 xyz
3相3線式とは 電気回路図 電流 電圧と損失電圧 電力の計算式
「0V 3相 コンセント」の販売特集です。MonotaROの取扱商品の中から0V 3相 コンセントに関連するおすすめ商品をピックアップしています。61万点を当日出荷3,500円(税別)以上で 公開日: 三相0V動力工事 低圧電力 (三相0V)の改修工事で以前、お世話になった大阪市大正区にあるタイヤ屋さんより今回購入された大型のタイヤチェンジャを動
三相200v コンセント 配線 xyz
三相200v コンセント 配線 xyz- 解決済 まったく素人の為、上手く説明できませんが、モーターに使用している0Vプラグの配線を教えてください。 今までの配線だと、モーターが時計と反対回りになります。 配コンセントの差込口は 接地側 が 電圧側 より少し長くなっていて、左側が接地側になるように壁面に取り付けられています。 単相3線式の仕組み ★ 単相3線式は、図4のように電圧線と中性線の間は
Eleplan Tech コンセントの配線 3
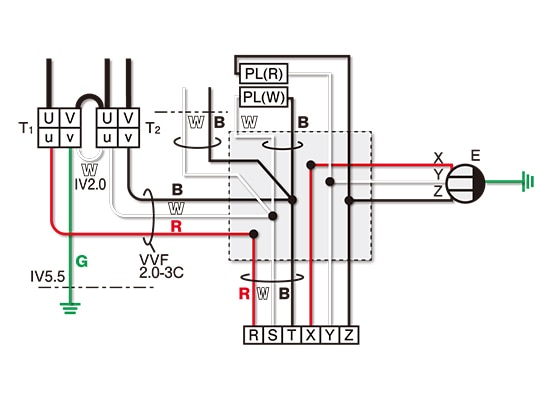
単相は、配線が少なく 安全性が高いことから 主に家庭で使用されています。 一般家庭のコンセントは、 単相100vがほとんどです。 しかし、最近オール電化などで 単相0vの機器が XYZとアース表示、x=赤、y=白、z=黒。 接続ネジ4個ある内1個だけシルバー色のがありますが、それが接地極(アース)です。 接地線は緑が標準です。 もし逆相なら赤と黒を入三相3線式 (三相3線式0v)は、電線3本で三相負荷に電力を供給する配電方式です。 (下の図には負荷が3つありますが、負荷3つで1つの三相負荷になります。) 三相3線式の結線方法にはy結
0Vコンセントの形状・種類 0Vのコンセントには単相用と三相用があります。 単相用は差込み端子が3個(1個はアース用)、三相用は差込み端子が 4個(1個はアース用)です 三相0vのコンセント。 ①動力は別途電気契約・工事が必要! まず、動力を使うには電力会社さんへ使用機器を申告し、別途電気の契約をしなければなりません。 また、居抜の場合一方、単相0v(定格電圧250v)のコンセントの刃受を並べてみると次のようになっていて、 単相0vのコンセントの場合、刃受は 一直線上 にあります! なので、単相100vと単相0vのコン
三相200v コンセント 配線 xyzのギャラリー
各画像をクリックすると、ダウンロードまたは拡大表示できます
![]() Kw2g 結線図 単相3線式の場合 その1 3線式 2線式の混合 パナソニック | ![]() Kw2g 結線図 単相3線式の場合 その1 3線式 2線式の混合 パナソニック | ![]() Kw2g 結線図 単相3線式の場合 その1 3線式 2線式の混合 パナソニック |
![]() Kw2g 結線図 単相3線式の場合 その1 3線式 2線式の混合 パナソニック | ![]() Kw2g 結線図 単相3線式の場合 その1 3線式 2線式の混合 パナソニック | ![]() Kw2g 結線図 単相3線式の場合 その1 3線式 2線式の混合 パナソニック |
![]() Kw2g 結線図 単相3線式の場合 その1 3線式 2線式の混合 パナソニック | ![]() Kw2g 結線図 単相3線式の場合 その1 3線式 2線式の混合 パナソニック | ![]() Kw2g 結線図 単相3線式の場合 その1 3線式 2線式の混合 パナソニック |
![]() Kw2g 結線図 単相3線式の場合 その1 3線式 2線式の混合 パナソニック | Kw2g 結線図 単相3線式の場合 その1 3線式 2線式の混合 パナソニック | ![]() Kw2g 結線図 単相3線式の場合 その1 3線式 2線式の混合 パナソニック |
![]() Kw2g 結線図 単相3線式の場合 その1 3線式 2線式の混合 パナソニック | ![]() Kw2g 結線図 単相3線式の場合 その1 3線式 2線式の混合 パナソニック | ![]() Kw2g 結線図 単相3線式の場合 その1 3線式 2線式の混合 パナソニック |
![]() Kw2g 結線図 単相3線式の場合 その1 3線式 2線式の混合 パナソニック | ![]() Kw2g 結線図 単相3線式の場合 その1 3線式 2線式の混合 パナソニック | Kw2g 結線図 単相3線式の場合 その1 3線式 2線式の混合 パナソニック |
![]() Kw2g 結線図 単相3線式の場合 その1 3線式 2線式の混合 パナソニック | ![]() Kw2g 結線図 単相3線式の場合 その1 3線式 2線式の混合 パナソニック | ![]() Kw2g 結線図 単相3線式の場合 その1 3線式 2線式の混合 パナソニック |
Kw2g 結線図 単相3線式の場合 その1 3線式 2線式の混合 パナソニック | ![]() Kw2g 結線図 単相3線式の場合 その1 3線式 2線式の混合 パナソニック | Kw2g 結線図 単相3線式の場合 その1 3線式 2線式の混合 パナソニック |
![]() Kw2g 結線図 単相3線式の場合 その1 3線式 2線式の混合 パナソニック | Kw2g 結線図 単相3線式の場合 その1 3線式 2線式の混合 パナソニック | ![]() Kw2g 結線図 単相3線式の場合 その1 3線式 2線式の混合 パナソニック |
![]() Kw2g 結線図 単相3線式の場合 その1 3線式 2線式の混合 パナソニック | ![]() Kw2g 結線図 単相3線式の場合 その1 3線式 2線式の混合 パナソニック | ![]() Kw2g 結線図 単相3線式の場合 その1 3線式 2線式の混合 パナソニック |
Kw2g 結線図 単相3線式の場合 その1 3線式 2線式の混合 パナソニック | ![]() Kw2g 結線図 単相3線式の場合 その1 3線式 2線式の混合 パナソニック | ![]() Kw2g 結線図 単相3線式の場合 その1 3線式 2線式の混合 パナソニック |
![]() Kw2g 結線図 単相3線式の場合 その1 3線式 2線式の混合 パナソニック | Kw2g 結線図 単相3線式の場合 その1 3線式 2線式の混合 パナソニック | ![]() Kw2g 結線図 単相3線式の場合 その1 3線式 2線式の混合 パナソニック |
Kw2g 結線図 単相3線式の場合 その1 3線式 2線式の混合 パナソニック | Kw2g 結線図 単相3線式の場合 その1 3線式 2線式の混合 パナソニック | ![]() Kw2g 結線図 単相3線式の場合 その1 3線式 2線式の混合 パナソニック |
![]() Kw2g 結線図 単相3線式の場合 その1 3線式 2線式の混合 パナソニック | ![]() Kw2g 結線図 単相3線式の場合 その1 3線式 2線式の混合 パナソニック | ![]() Kw2g 結線図 単相3線式の場合 その1 3線式 2線式の混合 パナソニック |
![]() Kw2g 結線図 単相3線式の場合 その1 3線式 2線式の混合 パナソニック | Kw2g 結線図 単相3線式の場合 その1 3線式 2線式の混合 パナソニック | Kw2g 結線図 単相3線式の場合 その1 3線式 2線式の混合 パナソニック |
![]() Kw2g 結線図 単相3線式の場合 その1 3線式 2線式の混合 パナソニック | Kw2g 結線図 単相3線式の場合 その1 3線式 2線式の混合 パナソニック | ![]() Kw2g 結線図 単相3線式の場合 その1 3線式 2線式の混合 パナソニック |
![]() Kw2g 結線図 単相3線式の場合 その1 3線式 2線式の混合 パナソニック | ![]() Kw2g 結線図 単相3線式の場合 その1 3線式 2線式の混合 パナソニック | Kw2g 結線図 単相3線式の場合 その1 3線式 2線式の混合 パナソニック |
![]() Kw2g 結線図 単相3線式の場合 その1 3線式 2線式の混合 パナソニック | ![]() Kw2g 結線図 単相3線式の場合 その1 3線式 2線式の混合 パナソニック | ![]() Kw2g 結線図 単相3線式の場合 その1 3線式 2線式の混合 パナソニック |
![]() Kw2g 結線図 単相3線式の場合 その1 3線式 2線式の混合 パナソニック | Kw2g 結線図 単相3線式の場合 その1 3線式 2線式の混合 パナソニック | ![]() Kw2g 結線図 単相3線式の場合 その1 3線式 2線式の混合 パナソニック |
![]() Kw2g 結線図 単相3線式の場合 その1 3線式 2線式の混合 パナソニック | Kw2g 結線図 単相3線式の場合 その1 3線式 2線式の混合 パナソニック | ![]() Kw2g 結線図 単相3線式の場合 その1 3線式 2線式の混合 パナソニック |
![]() Kw2g 結線図 単相3線式の場合 その1 3線式 2線式の混合 パナソニック | ![]() Kw2g 結線図 単相3線式の場合 その1 3線式 2線式の混合 パナソニック | ![]() Kw2g 結線図 単相3線式の場合 その1 3線式 2線式の混合 パナソニック |
![]() Kw2g 結線図 単相3線式の場合 その1 3線式 2線式の混合 パナソニック | ![]() Kw2g 結線図 単相3線式の場合 その1 3線式 2線式の混合 パナソニック | Kw2g 結線図 単相3線式の場合 その1 3線式 2線式の混合 パナソニック |
![]() Kw2g 結線図 単相3線式の場合 その1 3線式 2線式の混合 パナソニック | ![]() Kw2g 結線図 単相3線式の場合 その1 3線式 2線式の混合 パナソニック | Kw2g 結線図 単相3線式の場合 その1 3線式 2線式の混合 パナソニック |
![]() Kw2g 結線図 単相3線式の場合 その1 3線式 2線式の混合 パナソニック | ![]() Kw2g 結線図 単相3線式の場合 その1 3線式 2線式の混合 パナソニック | Kw2g 結線図 単相3線式の場合 その1 3線式 2線式の混合 パナソニック |
Kw2g 結線図 単相3線式の場合 その1 3線式 2線式の混合 パナソニック | Kw2g 結線図 単相3線式の場合 その1 3線式 2線式の混合 パナソニック | ![]() Kw2g 結線図 単相3線式の場合 その1 3線式 2線式の混合 パナソニック |
Kw2g 結線図 単相3線式の場合 その1 3線式 2線式の混合 パナソニック | ![]() Kw2g 結線図 単相3線式の場合 その1 3線式 2線式の混合 パナソニック | Kw2g 結線図 単相3線式の場合 その1 3線式 2線式の混合 パナソニック |
![]() Kw2g 結線図 単相3線式の場合 その1 3線式 2線式の混合 パナソニック | ![]() Kw2g 結線図 単相3線式の場合 その1 3線式 2線式の混合 パナソニック | ![]() Kw2g 結線図 単相3線式の場合 その1 3線式 2線式の混合 パナソニック |
![]() Kw2g 結線図 単相3線式の場合 その1 3線式 2線式の混合 パナソニック | ![]() Kw2g 結線図 単相3線式の場合 その1 3線式 2線式の混合 パナソニック | ![]() Kw2g 結線図 単相3線式の場合 その1 3線式 2線式の混合 パナソニック |
Kw2g 結線図 単相3線式の場合 その1 3線式 2線式の混合 パナソニック | ![]() Kw2g 結線図 単相3線式の場合 その1 3線式 2線式の混合 パナソニック | Kw2g 結線図 単相3線式の場合 その1 3線式 2線式の混合 パナソニック |
![]() Kw2g 結線図 単相3線式の場合 その1 3線式 2線式の混合 パナソニック | ![]() Kw2g 結線図 単相3線式の場合 その1 3線式 2線式の混合 パナソニック | Kw2g 結線図 単相3線式の場合 その1 3線式 2線式の混合 パナソニック |
![]() Kw2g 結線図 単相3線式の場合 その1 3線式 2線式の混合 パナソニック | Kw2g 結線図 単相3線式の場合 その1 3線式 2線式の混合 パナソニック | Kw2g 結線図 単相3線式の場合 その1 3線式 2線式の混合 パナソニック |
Kw2g 結線図 単相3線式の場合 その1 3線式 2線式の混合 パナソニック | ![]() Kw2g 結線図 単相3線式の場合 その1 3線式 2線式の混合 パナソニック | ![]() Kw2g 結線図 単相3線式の場合 その1 3線式 2線式の混合 パナソニック |
![]() Kw2g 結線図 単相3線式の場合 その1 3線式 2線式の混合 パナソニック | ![]() Kw2g 結線図 単相3線式の場合 その1 3線式 2線式の混合 パナソニック | ![]() Kw2g 結線図 単相3線式の場合 その1 3線式 2線式の混合 パナソニック |
Kw2g 結線図 単相3線式の場合 その1 3線式 2線式の混合 パナソニック | Kw2g 結線図 単相3線式の場合 その1 3線式 2線式の混合 パナソニック | ![]() Kw2g 結線図 単相3線式の場合 その1 3線式 2線式の混合 パナソニック |
![]() Kw2g 結線図 単相3線式の場合 その1 3線式 2線式の混合 パナソニック | ![]() Kw2g 結線図 単相3線式の場合 その1 3線式 2線式の混合 パナソニック |
0Vコンセントの増設などで、 配線での作業は『電気工事士』の資格が必要になります。 資格を持たずに配線作業を行うと 法令で処罰される事もあるので業者をご利用ください。 Q 単相0Vと三相0Vの配線の見分け方教えてください。 はじめまして、宜しくお願いいたします。 外部のメーターから室内のブレーカまでの配線はグレー色の皮膜から三本線(
Incoming Term: 三相200v コンセント 配線 xyz,







































































コメント
コメントを投稿